PRO : chaudière à bois déchiqueté grande puissance




Puissance industrielle avec fiabilité de la grande série.

175 & 250kW - jusqu'à 1.000 kW en cascade.







PRO RW : fiabilité industrielle

Puissance efficacité et performance, la chaudière "industrielle" PRO est le fruit de 15 années de conception. Composants de qualité, dimensionnement étudié et qualité de finition de Guntamatic garantissent une sécurisation extrême, des coûts d‘entretien faibles et une longévité dans le temps.

S‘ajoute à cela, en terme de sécurité, une fabrication modulable en cascade. Même si l‘un des modules s‘arrête, les autres continuent de travailler normalement. La sécurisation, par rapport à un arrêt total, constitue un élément déterminant pour le monde industriel et les collectivités locales.

Pour plaquettes de bois déchiqueté normalisées G30 ou G50.
Full automatique : remplissage par dessileur, nettoyage échangeur et aspiration des cendres.

Brûleur à gradins

Une grille à gradins autonettoyante garantit le mouvement nécessaire des plaquettes dans le lit de combustion. Un va et vient d'une marche sur deux transporte le combustible jusqu'à l'évacuation des cendres.

Chambre réfractaire

Chambre de combustion réfractaire : en carbure de silicium. Ce matériau résiste et est adapté aux hautes tempéraures qu'il conserve. Ceci contribue à garder une parfaite combustion.

Dôme

L‘architecture de la chambre de combustion, en dôme, permet une combustion parfaite et une avancée modulable du combustible dans les différentes zones de brûlage.




Aspiration cendres

Un cendrier avec roulettes recueille les cendres. En option, un système d'aspiration pour récolter les cendres dans une poubelle de 240 litres.

1 chaudière 2 dessileurs

Pour optimaliser les grosses réserves, 2 dessileurs aprovisionnent une seule chaudière.

Durable

Exécution extrêmement robuste de la vis sans fin et du malaxeur, très haute qualité des engrenages et des moteurs.

Régulation complète

Gestion de 9 circuits, 3 à 6 ECS, tampons, pompes bouclage et cascade de 4 chaudières.

Cascade

A ce niveau de puissance, la cascade de plusieurs chaudières est une solution souple et fiable. 4 PRO peuvent être gérées en cascade.

Gestion à distance

Par internet, gestion de l'installation via ordinateur et/ou APP sur smartphone. Consultation : infos t°, quand vider les cendres, etc. Notification si défaut.




Qualité

La chaudière est composée de matériaux nobles. La production, l'assemblage et la finition sont contrôlés et répondent à de très hautes exigences.

Fiabilité

Les composants électroniques et électriques sont communs à toutes les chaudières GUNTAMATIC. Ceci assure un très haut niveau de fiabilité.

Longévité

Les moteurs et ventilateurs sont dimensionnés pour une durée de vie de plus de 20 ans : avec réserve de couple très élevée.

Déssileur bois déchiqueté


Quel volume prévoir ?

Une chaudière fonctionne l'équivalent de 1500 à 2000 heures /an : à pleine puissance.

Le pouvoir calorifique du bois déchiqueté est variable selon l'essence de bois et son humidité. Pour 1 kW chaudière, on peut compter une consommation annuelle de 2 M3 de bois dur ou 2,5 M3 d'épicéa. Vu ce grand encombrement, la réserve devra généralement être remplie plusieurs fois par an.





Comment aménager ?

Vu les quantités "industrielles" il est recommandé de concevoir une réserve facile d'accès pour un déchargement par camion.

La hauteur de stockage ne peut pas dépasser 5 mètres.

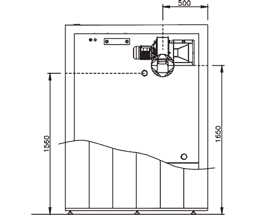
Dimensions

La vis qui transporte le bois déchiqueté ne peut pas dépasser une longueur de 7 mètres. Entre l'élément moteur et l'élement de passage de mur, des allonges de vis sont disponibles en : 22, 55, 110, 220, & 297 cm.

Le dessileur rotatif existe en plusieurs diamètres : 2 - 2,5 - 3 - 3,5 - 4 - 4,5 & 5 M.





PRO RW chaudière à bois déchiqueté

PRO RW 175 250  
Classe d'efficacité énergétique A+ A+  
Combustible G30 G50 G30 G50 Plaquettes
Puissance nominale 175 250 kW
Plage de t° chaudière 60 à 85 60 à 85 °C
Volume d'eau 572 572 litre
Pression de service max. 3 3 bar
Départ retour 2'' 2'' Ø pouce
Débit pompe bouclage 16200 21500 lit / h
Besoin de tirage de cheminée 0,10 0,10 mbar
Tube de fumée 250 250 Ø mm
Ventillation chaufferie min. 725 1100 cm²
Cendrier 240 240 lit
Hauteur local min. 250 250 cm
Poids de transport env. 2200 2200 kg
Raccordement électrique 400 / 20 400 / 20 V / A

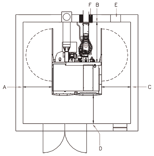
PRO RW 175-250





A : distance à gauche : 100 cm
mini 0 cm : si plus de 100 cm à droite

B : distance à l'arrière : 230 cm
mini 130 cm, si plus de 100 cm à gauche

C : distance à droite : plus de 100 cm
mini 0 cm, si 130 cm à gauche et à l'arrière

C : distance à l’avant : 120 cm
mini 100 cm

HSP : idéale > 260 cm, mini : 250 cm.

Téléchargements